| About Bolt Products | Bolt Products Homepage | Bolting Information | Catalogue |
| Sustainable Bolting and Bolt Removal | Maillons, Shackles,Rings, Chain and Karabiners For building up belays, abseil stations and lower-offs. All of these components are tested by us to verify their quality and strength. Our rings are rolled and welded in-house. As well as the normal maillons we supply special safety shackles for building chainsets, these are stronger, more economical and less prone to theft. If you are building lower-off with maillons then you should take measures to prevent theft. A high strength thread locking compound such as Loctite will deter most, even more secure is to fill the threaded barrel with epoxy putty before screwing it up. This is sold in a convenient kneadable form for pipe repairs and similar.
|
| Strength and Tests | |
| Bolt Selection | |
| Orders, Delivery and Discounts | |
| Protection Bolts | |
| Belay Bolts | |
| Sea Water Series | |
| Single Point Lower-offs | |
| Chain Extenders | |
| Chain Sets | |
| Stainless Steel Pitons | |
| Maillons, Rings and Chain | |
| Via Ferrata Equipment | |
| Glue and glue guns | |
| Accesories | |
| Service and support | |
| Terms and conditions |
Stainless Steel Maillons

Stainless steel maillons (quick links) for joining chainsets, lower-offs etc.
Breaking strains given are our test results.
The maximum opening size is given to help you choose the correct model.
For lower-offs we recommend the rope should run through 10mm or better 12mm maillons for longer life and to reduce rope wear but a ring and shackle combination is much better.
AISI 316 (A4) Stainless Steel
Standard
Order Code Description Breaking Strain Length (Int) Opening Price
[MSS6] 6mm Maillon 13,5kN 45mm 7,5mm €4,30
[MSS8] 8mm Maillon 27,4kN 58mm 9,5mm €6,80
[MSS10] 10 mm Maillon 40kN 69mm 12mm €9,20
[MSS12] 12mm Maillon 50kN 81mm 14,5mm €12,50
Long Series
With a larger opening allowing a rope or similar to be installed.
[MSS6L] 6mm Maillon 13,5kN 70mm 14,5mm €4,50
[MSS8L] 8mm Maillon 27,4kN 88mm 17,5mm €7,00
[MSS10L] 10 mm Maillon 40kN 105mm 20,5mm €9,40
[MSS12L] 12mm Maillon 50kN 124mm 23,5mm €12,70
Pear Shaped.
These we stock to allow the installation of two karabiners back-to-back for lower-offs. 8mm and 10mm illustrated.

Internal Width
(large end)
[MSS8P] 8mm Maillon 33kN 36mm 17mm €7,00
[MSS10P] 10 mm Maillon 55kN 43mm 20mm €9,40
![]()
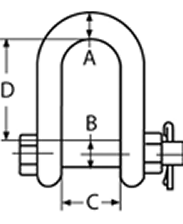
Stainless steel forged safety shackles
An economical way of building up chainsets etc with absolute security and cheaper than the equivelant strength maillon and with a larger opening.
These shackles are forged from AISI 316 and fitted with a shouldered bolt and security pin, not the normal weaker threaded pin. The nut is tightened up against the shoulder and the pin fitted, allowing the pin to rotate in use. Breaking loads are from our own tests.
We offer two types, the "Bow" shape and the standard "D" which we can supply up to 22mm pin diameter.
The "Bow " form has larger eye dimensions and therefore fits larger plate hangers better.


Dimensions in mm.
A B C D
6.4mm x 8mm 6,4 8 12 29
8mm x 9,5mm 8 9,5 13,5 31
AISI 316 (A4) stainless steel
Order Code Description Breaking Strain Price
[SSS8B] 6,4 x 8mm Pin Shackle 38kN €4,00
[SSS10B] 8mm x 9,5mm Pin Shackle 62kN €6,00
The "D" form has the same opening but a shorter eye and is slightly cheaper.


Dimensions in mm.
A B C D
6.4mm x 8mm 6,4 8 12 22
8mm x 9,5mm 8 9,5 13,5 26
AISI 316 (A4) stainless steel
Order Code Description Breaking Strain Price
[SSS8D] 6,4 x 8mm Pin Shackle 38kN €3,80
[SSS10D] 8mm x 9,5mm Pin Shackle 62kN €5,80
![]()
Rings

To ensure consistant quality our stainless steel rings are bent and welded by ourselves.
All rings have a nominal internal diameter of 45mm.
These rings are ground smooth on the inside to ensure they do not hang up on the bolt or hanger, preventing rotation or cause wear on the rope.
AISI 304 (A2) or AISI 316(A4) Stainless Steel
Order Code Description Breaking Load (test). Price
[R8-45A2] 8mm Ring over 50kN €7,76
[R10-45A2] 10mmRing over 50kN €9,49
[R12-45A2] 12mm Ring over 50kN €11,22
[R8-45A4] 8mm Ring over 50kN €8.15
[R10-45A4] 10mmRing over 50kN €9,96
[R12-45A4] 12mm Ring over 50kN €11,78
We can manufacture rings to other sizes if required- please ask.
![]()
Chain

A high quality stainless steel long link chain to DIN 763.
8mm material with a rated 400kg working load and a rated 2500kg breaking load, Available in any length. 52mm internal link length.
Price per metre or per link (52mm internal length)
On test we get a breaking load of 58,9kN for this chain!
Breaking Load-2500kg.
AISI 316 (A4) Stainless Steel
Order Code Description Price
[CH8] 8mm Stainless Chain €25,73/m
Per 52mm link €1,20/link
![]()
Karabiners
Stainless steel wiregate karabiners with a closed eye and bent gate for building lower-offs and abseil points.
Wiregates are the most robust system and self cleaning for use outdoors, normal karabiners are hanging upside down when used for lower-offs are usually lying against the rock and the spring mechanism tends to fill with water-borne debris - we have seen too many defective screwgates after years on the cliff to recommend them and use instead 2 wiregates back-to-back for safety, for this we recommend you use the pear shaped maillons listed above or two safety shackles.

Breaking Load 10mm-31kN Gate Closed, 11,8kN Gate Open
Breaking Load 12mm-40kN Gate Closed, 14,2kN Gate Open
AISI 316 (A4) Stainless Steel
Order Code Description Price
[SSK-10W] 10mm Wiregate Karabiner €9,98
[SSK-12W] 12mm Wiregate Karabiner €15,00
We can offer good bulk discount on these for orders of over 50!
![]()